Startseite » Messingkupplungen nach DIN EN 14420-7 (DIN 2828)
Messingkupplungen nach DIN EN 14420-7 (DIN 2828)
Ausführungen
IBK Messing Schnellkupplungen
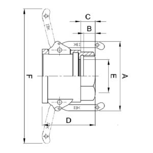
Vaterteil mit Innengewinde, Typ AF
NW
Gewinde
SW
A
B
C
D
E
F
Gewicht
G*
ca. in mm
ca. in g
13**
G 1/2"
26
-
12
14
45
14
-
105
19
G 3/4"
32
-
12
14
46
21
-
145
25
G 1"
41
-
12
14
50
24
-
220
32
G 1 1/4"
50
-
12
14
57
28
-
400
40
G 1 1/2"
60
-
15
18
63
36
-
540
50
G 2"
68
-
18
21
71
46
-
710
65
G 2 1/2"
85
-
19
22
76
56
-
1050
75
G 3"
100
-
20
24
79
72
-
1400
100
G 4"
130
-
20
25
80
97
-
2350
125
G 5"
153
-
31
38
85
122
-
3100
* G = zylindrisches Gewinde nach ISO 228-1
** In Anlehnung an der Norm EN14420-7 (DIN2828)
–> Nach Bedarf und auf Anfrage sind auch spezielle Ausführungen bzw. Modelle erhältlich
Mutterteil mit Außengewinde, Typ BF
NW
Gewinde
SW
A
B
C
D
E
F
Gewicht
G*
ca. in mm
ca. in g
13**
G 1/2"
32
40
13
-
47
14
68
140
19
G 3/4"
32
56
13
-
58
19
111
280
25
G 1"
39
73
13
-
70
23
125
450
32
G 1 1/4"
50
82
13
-
77
32
180
695
40
G 1 1/2"
55
93
13
-
77
37
190
770
50
G 2"
65
104
18
-
97
50
200
1080
65
G 2 1/2"
85
115
24
-
97
64
210
1400
75
G 3"
100
138
24
-
100
76
255
1860
100
G 4"
130
165
24
-
100
100
285
3600
* G = zylindrisches Gewinde nach ISO 228-1, erhältlich auch als: R = konisches Gewinde nach EN10226-1
** In Anlehnung an der Norm EN14420-7 (DIN2828), mit einem Hebel
–> Nach Bedarf und auf Anfrage sind auch spezielle Ausführungen bzw. Modelle erhältlich
Mutterteil mit Schlauchstutzen, Typ CC
NW
Gewinde
SW
A
B
C
D
E
F
Gewicht
ca. in mm
ca. in g
13**
1/2"
-
40
-
40
80
8
68
160
19
3/4"
-
56
-
30
73
15
111
260
25
1"
-
73
-
35
87
21
125
380
32
1 1/4"
-
82
-
42
100
27
180
580
40
1 1/2"
-
93
-
40
100
34
190
700
50
2"
-
105
-
42
111
44
200
990
65
2 1/2"
-
115
-
55
127
58
210
1550
75
3"
-
138
-
60
147
64
255
2150
100
4"
-
165
-
80
170
88
285
3300
** In Anlehnung an der Norm EN14420-7 (DIN2828), mit einem Hebel
–> Nach Bedarf und auf Anfrage sind auch spezielle Ausführungen bzw. Modelle erhältlich
Mutterteil mit Innengewinde, Typ DF
NW
Gewinde
SW
A
B
C
D
E
F
Gewicht
G*
ca. in mm
ca. in g
13**
G 1/2"
26
40
12
14
47
14
68
160
19
G 3/4"
32
56
12
14
45
19
111
230
25
G 1"
41
73
12
14
53
23
125
360
32
G 1 1/4"
50
82
12
14
59
32
180
560
40
G 1 1/2"
60
93
15
18
65
37
190
700
50
G 2"
70
105
18
21
73
50
200
900
65
G 2 1/2"
85
115
19
22
77,5
60
200
1160
75
G 3"
100
138
20
24
81
76
255
1675
100
G 4"
130
165
20
25
86
100
285
2850
125
G 5"
152
188
-
39
114
136
294
5360
* G = zylindrisches Gewinde nach ISO 228-1
** In Anlehnung an der Norm EN14420-7 (DIN2828), NW13 mit einem Hebel, NW125 mit vier Hebel
–> Nach Bedarf und auf Anfrage sind auch spezielle Ausführungen bzw. Modelle erhältlich
Vaterteil mit Schlauchstutzen, Typ EC
NW
Gewinde
SW
A
B
C
D
E
F
Gewicht
ca. in mm
ca. in g
13**
1/2"
-
-
-
40
81
8
-
105
19
3/4"
-
-
-
45
85
14
-
160
25
1"
-
-
-
35
83
20
-
220
32
1 1/4"
-
-
-
35
86
27
-
360
40
1 1/2"
-
-
-
40
96
34
-
520
50
2"
-
-
-
46
103
44
-
650
65
2 1/2"
-
-
-
55
120
58
-
1050
75
3"
-
-
-
60
138
64
-
1800
100
4"
-
-
-
110
180
88
-
3400
** In Anlehnung an der Norm EN14420-7 (DIN2828), mit einem Hebel
–> Nach Bedarf und auf Anfrage sind auch spezielle Ausführungen bzw. Modelle erhältlich
Vaterteil mit Außengewinde, Typ FF
NW
Gewinde
SW
A
B
C
D
E
F
Gewicht
G*
ca. in mm
ca. in g
13**
G 1/2"
22
13
-
50
14
-
120
19
G 3/4"
32
-
13
-
50
21
-
160
25
G 1"
41
-
20
-
67
24
-
280
32
G 1 1/4"
50
-
20
-
75
28
-
540
40
G 1 1/2"
60
-
20
-
80
36
-
680
50
G 2"
66
-
20
83
46
-
740
65
G 2 1/2"
85
-
26
-
95
56
-
1600
75
G 3"
100
-
26
-
95
73
1930
100
G 4"
130
-
26
-
130
97
-
3350
* G = zylindrisches Gewinde nach ISO 228-1, erhältlich auch als: R = konisches Gewinde nach EN10226-1
** In Anlehnung an der Norm EN14420-7 (DIN2828), hat Schlüsselflächen
–> Nach Bedarf und auf Anfrage sind auch spezielle Ausführungen bzw. Modelle erhältlich
Verschlußkappe, Typ DC
NW
Gewinde
SW
A
B
C
D
E
F
Gewicht
ca. in mm
ca. in g
13
1/2"
-
40
-
-
32
-
68
132
19
3/4"
-
56
-
-
35
-
111
206
25
1"
-
73
-
-
42
-
125
264
32
1 1/4"
-
82
-
49
-
180
380
40
1 1/2"
-
93
-
-
49
-
190
490
50
2"
-
105
-
-
57
-
200
660
65
2 1/2"
-
115
-
-
93
-
210
990
75
3"
-
138
-
-
93
-
255
1600
100
4"
-
165
-
-
98
-
285
2600
** In Anlehnung an der Norm EN14420-7 (DIN2828)
–> Nach Bedarf und auf Anfrage sind auch spezielle Ausführungen bzw. Modelle erhältlich
Verschlußstopfen, Typ DP
NW
Gewinde
SW
A
B
C
D
E
F
Gewicht
ca. in mm
ca. in g
13
1/2"
-
-
-
-
27
14
-
70
19
3/4"
-
-
-
-
28
19
-
120
25
1"
-
-
-
-
35
24
-
160
32
1 1/4"
-
-
-
-
40
32
-
200
40
1 1/2"
-
-
-
-
45
36
-
280
50
2"
-
-
-
-
53
46
-
390
65
2 1/2"
-
-
-
-
83
57
-
800
75
3"
-
-
-
-
89
72
-
1230
100
4"
-
-
-
-
105
97
-
2000
** In Anlehnung an der Norm EN14420-7 (DIN2828)
–> Nach Bedarf und auf Anfrage sind auch spezielle Ausführungen bzw. Modelle erhältlich
Techn. Eigenschaften
Für die richtige Auswahl aus unserem Kupplungssortiment verweisen wir auf unsere Beständigkeitsliste im Anhang oder Fragen sie unsere Mitarbeiter.
Vorteile dieser Kupplungen
1. Alle Kupplungen (Vater- und Mutterteile) sind innen ausgedreht und glatt.
Es gibt keine Rückstände vom Sandguss bzw. Kokillenguss an der Oberfläche. Vorteil: Einwandfreier Durchfluss
4. Der Sicherungsbund ist überhöht.
Vorteil: Kein Abrutschen der Schalen.
2. Alle Stutzen sind angefast und nicht stumpf. Vorteil: Keine Wirbelbildung beim Durchfluss
5. Die Bügel sind aus Edelstahl mit Edelstahlnieten. Vorteil: Präzise Führung, schlagfest, rostfrei
3. Die Stutzen haben mehrere Sägewulste mit Plustoleranz. Vorteil: Kein Herausfallen der Stutzen
6. Die Dichtungen sind plangedreht, also mechanisch nachgearbeitet und haben Plustoleranz. Vorteil: Fester Sitz
Material:
Kupplung aus Messing
Standarddichtung aus NBR (wahlweise aus EPDM oder Viton)
Bügel aus Edelstahl
Eigenschaften:
Vakuumdicht für Saugleitungen
Keine Vereisungsgefahr
Kuppelbar mit gleichen Systemen (MIL C-27450)
Passend zum Verschließen von Vater- bzw. Mutterteilen
Temperatur:
Betriebstemperatur von – 40°C bis + 120°C, für höhere Temperaturen geeignete Dichtung erfragen
Betriebsdruck:
Max. 16 Bar Betriebsdruck –> Sicherheitsfaktor 4
Vakuum – 0,8 Bar
Spezialmodelle auf Anfrage! Die angebenen Maße sind Circa-Maße. Technische Änderungen vorbehalten. Beständigkeiten siehe Download.
Cookie-Zustimmung verwalten
Um dir ein optimales Erlebnis zu bieten, verwenden wir Technologien wie Cookies, um Geräteinformationen zu speichern und/oder darauf zuzugreifen. Wenn du diesen Technologien zustimmst, können wir Daten wie das Surfverhalten oder eindeutige IDs auf dieser Website verarbeiten. Wenn du deine Zustimmung nicht erteilst oder zurückziehst, können bestimmte Merkmale und Funktionen beeinträchtigt werden.
Funktionale Cookies (notwendig)
Immer aktiv
Die technische Speicherung oder der Zugang ist unbedingt erforderlich für den rechtmäßigen Zweck, die Nutzung eines bestimmten Dienstes zu ermöglichen, der vom Teilnehmer oder Nutzer ausdrücklich gewünscht wird, oder für den alleinigen Zweck, die Übertragung einer Nachricht über ein elektronisches Kommunikationsnetz durchzuführen.
Vorlieben
Die technische Speicherung oder der Zugriff ist für den rechtmäßigen Zweck der Speicherung von Präferenzen erforderlich, die nicht vom Abonnenten oder Benutzer angefordert wurden.
Statistik Cookies (optional)
Die technische Speicherung oder der Zugriff, der ausschließlich zu statistischen Zwecken erfolgt.Die technische Speicherung oder der Zugriff, der ausschließlich zu anonymen statistischen Zwecken verwendet wird. Ohne eine Vorladung, die freiwillige Zustimmung deines Internetdienstanbieters oder zusätzliche Aufzeichnungen von Dritten können die zu diesem Zweck gespeicherten oder abgerufenen Informationen allein in der Regel nicht dazu verwendet werden, dich zu identifizieren.
Marketing Cookies (optional)
Die technische Speicherung oder der Zugriff ist erforderlich, um Nutzerprofile zu erstellen, um Werbung zu versenden oder um den Nutzer auf einer Website oder über mehrere Websites hinweg zu ähnlichen Marketingzwecken zu verfolgen.